丝瓜视频免费观看PVC蝶阀
来源:上海丝瓜视频看污污阀门科技有限公司 作者:丝瓜视频免费观看蝶阀球阀执行器厂家 点击量:1682



品牌:上海丝瓜视频看污污
驱动能源: 丝瓜视频免费观看执行器
型号: D971S
标准: 国标
压力环境: 常压
加工定制: 是
产品用途: 石油、化工、电力、能源、船舶、冶金、建材、造纸、锅炉设备
驱动能源: 丝瓜视频免费观看执行器
型号: D971S
标准: 国标
压力环境: 常压
加工定制: 是
产品用途: 石油、化工、电力、能源、船舶、冶金、建材、造纸、锅炉设备
联系客服 13917586261

【产品概述】
丝瓜视频免费观看PVC蝶阀采用对夹连接,不须适用特殊工具即可快速装配,具有结构紧、耐磨损、容易拆卸、方便维修、维护简单易行等优点。该丝瓜视频免费观看蝶阀阀体材质卫生无毒、耐腐蚀性强、重量轻、应用范围广,例如:纯水和生饮水的管路系统、排水和污水管路系统,盐水和海水管路系统、酸碱和化学溶液系统等多个行业。
【性能特点】
1.使用温度范围广: -40℃~+95℃
2.具有极佳的强度和韧性
3.具有优良的耐化学腐蚀性功能
4.阻燃性能为自熄性
5.低热传导性能,约为钢材的1/200
6.介质中重离子含量达超纯水标准
7.卫生指标符合国家卫生标准要求
8.管壁平洁光滑,输送液体时具有较小的摩擦阻力和附着力
9.重量轻,相当于钢管1/5,铜管的1/6
10.安装方便
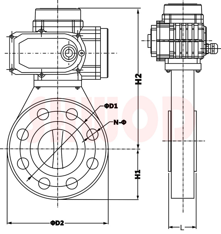
公称通径DN(mm) | DN50-DN300 |
连接方式 | 对夹 |
阀体材质 |
UPVC(-10℃~+70℃)、CPVC(-40℃~+95℃) RPP(-14℃~+100℃)、PVDF(-40℃~+140℃) |
阀芯材质 |
UPVC(-10℃~+70℃)、CPVC(-40℃~+95℃) RPP(- 14℃~+100℃)、PVDF(-40℃~+140℃) |
密封材质 | PTFE、EPDM、NBR |
适用介质 | PVC的兼容食品工业化学溶剂 |

规格 | 配置 | D1 | D2 | H | H1 | L | n-Φ |
mm | 1.0MPa | 1.0MPa | 1.0MPa | ||||
DN50 | SQ-05 | 125 | 165 | 345 | 82.5 | 40 | 4-Φ19 |
DN65 | 185 | 185 | 366 | 92.5 | 46 | 4-Φ19 | |
DN80 | SQ-10 | 200 | 200 | 418 | 100 | 46 | 8-Φ19 |
DN100 | 220 | 220 | 444 | 110 | 54 | 8-Φ19 | |
DN125 | 249 | 249 | 493 | 124 | 70 | 8-Φ23 | |
DN150 | SQ-20 | 283 | 283 | 548 | 142 | 74 | 8-Φ23 |
DN200 | 340 | 340 | 622 | 170 | 87 | 8-Φ23 | |
DN250 | SQ-60 | 395 | 395 | 701 | 198 | 114 | 12-Φ25 |
DN300 | SQ-100 | 460 | 460 | 787 | 230 | 114 | 12-Φ25 |
【友情提示】上海丝瓜视频看污污自动化仪表有限公司专业生产销售各类丝瓜视频免费观看蝶阀、丝瓜视频免费观看球阀、丝瓜视频免费观看闸阀等丝瓜视频免费观看阀门、丝瓜视频免费观看执行器、丝瓜色版APP执行器、丝瓜色版APP阀门、气动阀门,上海丝瓜视频看污污秉承“诚信为本,客户至上”的企业宗旨,专业为您提供规格型号齐全、质量稳定、价格合理的丝瓜视频免费观看PVC蝶阀产品,欢迎前来咨询报价。