丝瓜视频免费观看通风蝶阀
来源:上海丝瓜视频看污污阀门科技有限公司 作者:丝瓜视频免费观看蝶阀球阀执行器厂家 点击量:3158



品牌:上海丝瓜视频看污污
驱动能源: 丝瓜视频免费观看执行器
型号: D941W
标准: 国标
压力环境: 常压
加工定制: 是
产品用途: 石油、化工、电力、能源、船舶、冶金、建材、造纸、锅炉设备
驱动能源: 丝瓜视频免费观看执行器
型号: D941W
标准: 国标
压力环境: 常压
加工定制: 是
产品用途: 石油、化工、电力、能源、船舶、冶金、建材、造纸、锅炉设备
联系客服 13917586261
【产品概述】
丝瓜视频免费观看通风蝶阀又称丝瓜视频免费观看风量调节蝶阀,由角行程丝瓜视频免费观看执行器和丝瓜视频免费观看蝶阀组成,采用中线式碟板与短结构钢板焊接的新型结构形式设计制造,适用于两位切断的场合,阀体相同材料加工成密封圈,其适用温度随阀体选材而定,公称压力1.0MPa,主要于工业、冶金、烟气除尘、环保等管道作为气体介质调节流量或切断。不适应耐高温、高压及耐腐蚀、抗磨损等行业。
【性能特点】
1、结构简单、口径大、重量轻、操作方便。
2、驱动力矩小,启闭灵活,操作方便。
3、可多工位安装,不会受到介质的影响。
4、阀体上设置油密封挡圈,密封副之间无可见间隙,泄漏率小。
5、蝶板与阀体的膨胀间隙大,能有效防止因热涨冷缩造成的卡死现象。
【工作原理】
丝瓜视频免费观看通风蝶阀由丝瓜视频免费观看执行器输入电源信号,依靠电压驱动使碟板在90°范围内自由转动,以达到介质流量的启闭或调节,特别适用于压力不是很高的的空气或其它气体等低压场所的流量调节及压力控制,此外在高温状态的气体及蚀性介质工况中也被广泛适用。
【工作原理】
丝瓜视频免费观看通风蝶阀由丝瓜视频免费观看执行器输入电源信号,依靠电压驱动使碟板在90°范围内自由转动,以达到介质流量的启闭或调节,特别适用于压力不是很高的的空气或其它气体等低压场所的流量调节及压力控制,此外在高温状态的气体及蚀性介质工况中也被广泛适用。
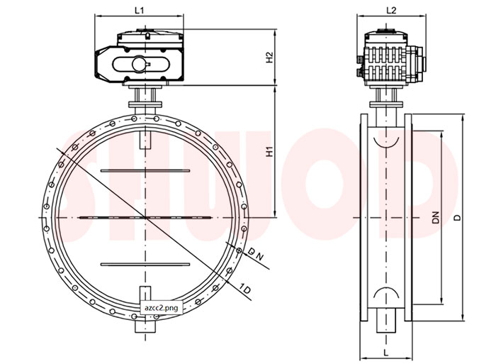
【外形尺寸】

规格 | D | D1 | N—D | H1 | H2 | L | L1 | L2 |
mm | ||||||||
DN65 | 160 | 130 | 4—14 | 282 | 135/270 | 112 | 165/320 | 150/220 |
DN80 | 190 | 150 | 4—18 | 313 | 135/270 | 114 | 165/320 | 150/220 |
DN100 | 210 | 170 | 4—18 | 380 | 135/270 | 127 | 165/320 | 150/220 |
DN125 | 240 | 200 | 8—18 | 396 | 135/270 | 140 | 165/320 | 150/220 |
DN150 | 265 | 225 | 8—18 | 409 | 135/270 | 140 | 165/320 | 150/220 |
DN200 | 320 | 280 | 8—18 | 619 | 135/270 | 152 | 165/320 | 150/220 |
DN250 | 375 | 335 | 12—18 | 649 | 140/275 | 165 | 190/355 | 170/250 |
DN300 | 440 | 395 | 12—22 | 681 | 140/275 | 180 | 190/355 | 170/250 |
DN350 | 490 | 445 | 12—22 | 709 | 140/315 | 180 | 190/375 | 170/290 |
DN400 | 540 | 495 | 16—22 | 733 | 170/315 | 200 | 270/375 | 220/290 |
DN450 | 595 | 550 | 16—22 | 761 | 170/315 | 200 | 270/375 | 220/290 |
DN500 | 645 | 600 | 20—22 | 789 | 170/315 | 220 | 270/375 | 220/290 |
【友情提示】上海丝瓜视频看污污自动化仪表有限公司专业生产销售各类丝瓜视频免费观看蝶阀、丝瓜视频免费观看球阀、丝瓜视频免费观看闸阀等丝瓜视频免费观看阀门、丝瓜视频免费观看执行器、丝瓜色版APP执行器、丝瓜色版APP阀门、气动阀门,上海丝瓜视频看污污秉承“诚信为本,客户至上”的企业宗旨,专业为您提供规格型号齐全、质量稳定、价格合理的丝瓜视频免费观看通风蝶阀产品,欢迎前来咨询报价。
【生产环境】