丝瓜视频看污污,丝瓜视频免费观看,丝瓜色版APP,丝瓜视频污黄色免费下载

欢迎访问上海丝瓜视频看污污自动化仪表有限公司官网!

上海丝瓜视频看污污自动化仪表有限公司

上海丝瓜视频看污污自动化仪表有限公司

——丝瓜视频免费观看蝶阀 丝瓜视频免费观看球阀 丝瓜视频免费观看执行器 丝瓜色版APP执行器 丝瓜视频免费观看阀门 丝瓜色版APP阀门厂家 ——

全国服务热线

021-66512385
13917586261
搜索关键词:
  • 电液执行器
  • 液动法兰球阀

    来源:上海丝瓜视频看污污阀门科技有限公司   作者:丝瓜视频免费观看蝶阀球阀执行器厂家   点击量:5209

    品牌:上海丝瓜视频看污污
    驱动能源: 液动执行器
    型号: FDQ系列
    标准: 国标
    压力环境: 常压
    加工定制: 是
    产品用途: 石油、化工、电力、能源、船舶、冶金、建材、造纸、锅炉设备
    联系客服 13917586261

    液动法兰球阀产品详情

    【产品概述】

     
           液动法兰球阀是一种转角90°旋转类球阀,密封性能优良,流通能力大,流阻系数小,结构简单,维修方便,使用寿命长,阀体通道和连接管径相等并成一直径,介质几乎可以毫无损失的流过,配用FDQ液动执行器,外形尺寸小,输出扭矩大,产品通常用于密封要求严格的场合,除控制气体、液体、蒸汽介质外,还适宜控制水含有纤维杂质的介质,广泛应用于石油、化工、冶金、轻工、造纸、电站、制冷等工作领域。
     
    【产品参数】

    液动法兰球阀执行器配置表
    规格执行器参考配置
    mminPN16PN25PN40PN63PN100
    DN151/2”FDQ-40FDQ-40FDQ-40FDQ-40FDQ-40
    DN203/4”
    DN251”
    DN321 1/4”
    DN401 1/2”
    DN502”
    DN652 1/2”FDQ-50
    DN803”
    DN1004”FDQ-50FDQ-63
    DN1255”FDQ-50FDQ-50FDQ-63
    DN1506”FDQ-50FDQ-80
    DN2008”FDQ-63FDQ-63FDQ-80

    【性能特点】

           1、流体阻力小,球阀是所有阀类中流体阻力小的一种,即使是缩径球阀,其流体阻力也相当小。
           2、止推轴轴承减少阀杆摩擦力矩,可使阀杆长期操作平衡灵活。
           3、阀座密封性能好,采用聚四氟乙烯等材料制成的密封圈,结构易于密封,而且球阀的密封能力随着介质压力的增大而增大。
           4、阀杆密封可靠,由于阀杆只作旋转运动而不做升降运动,阀杆的填料密封不易破坏,且密封能力随介质的压力增设而增大。
           5、由于聚四氟乙烯等材料具有良好的自润滑性,与球体的摩擦损失小,球阀的使用寿命更长。

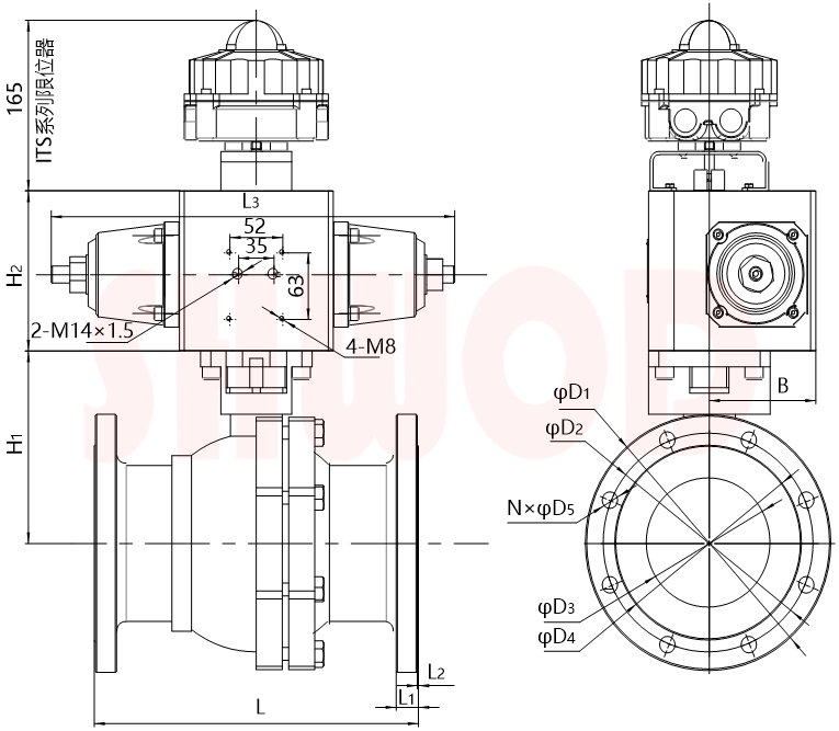
    【外形尺寸】
     
    液动法兰球阀外形尺寸

    PN16规格外形尺寸图
    mminφD1φD2φD3φD4NφD5LL1L2L3H1H2B
    DN151/2”9565154641413014229048110115
    DN203/4”1057520561301653
    DN251”11585256514063.5
    DN321 1/4”14010032761651872
    DN401 1/2”150110408416577
    DN502”16512550992032085
    DN652 1/2”18514565118222106
    DN803”20016080132818241121
    DN1004”22018010015628022143
    DN1255”250210125184325183
    DN1506”2852401502112235024350201115145
    DN2008”3402952002661222400252

           【友情提示】上海丝瓜视频看污污自动化仪表有限公司专业生产销售各类丝瓜视频免费观看蝶阀、丝瓜视频免费观看球阀、丝瓜视频免费观看闸阀丝瓜视频免费观看阀门、丝瓜视频免费观看执行器、丝瓜色版APP执行器、丝瓜色版APP阀门、气动阀门,上海丝瓜视频看污污秉承“诚信为本,客户至上”的企业宗旨,专业为您提供规格型号齐全、质量稳定、价格合理的液动法兰球阀产品,欢迎前来咨询报价。
     

    【生产环境】

    液动法兰球阀生产环境

    【企业资质】
     
    液动法兰球阀企业资质
    温馨提示
     

    【性能特点】

           1、采用齿轮齿条结构,可选单作用和双作用,具有启闭扭矩大、结构简单可靠、体积小巧、运动平稳、输出扭矩呈线性等特点;
           2、耐腐蚀,阀门采用304或316不锈钢;
           3、硬度高,能良好承受外界压力。
    微信二维码 微信二维码
    联系丝瓜视频看污污

    电话:021-66512385
    手机:13917586261
    Q Q:804815409
    邮箱:vodn@jsqzr.com
    联系地址:上海市闸北区柳营路669弄17号

    Copyright © 2020-2022 上海丝瓜视频看污污自动化仪表有限公司 版权所有     主营:丝瓜视频免费观看蝶阀、丝瓜视频免费观看球阀、丝瓜视频免费观看执行器、丝瓜色版APP执行器、丝瓜视频免费观看阀门、丝瓜色版APP阀门、气动阀门

    备案号:沪ICP备20127266号-1

    网站地图


    网站地图